Цоколь-экран с замком в ключе

 
 
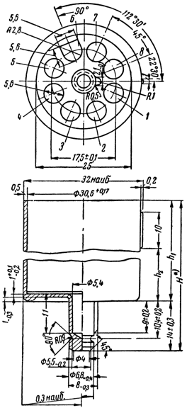
Цоколь-экран с замком в ключе Ведомственной нормалью ВН МПСС 920-52 установлены основные габаритные размеры металлического цоколя - экрана с замком в ключе, предназначенного для маломощных генераторных и приемно-усилительных ламп. 
 
1. Основные размеры цоколя должны соответствовать рисунку и таблице. 
2. Обозначение цоколя составляется из слов "цоколь-экран", буквы Ц и цифры 4, определяющей тип цоколя (с экраном и замком в ключе), тире и цифры, указывающей на типоразмер цоколя, а также номера ВН. 
П р и м е р. Цоколь-экран с размером высоты экрана 46.5 мм обозначается: 
Цоколь-экран Ц4-1. ВН МПСС 920-52
 
 Таблица
 
Условное обозначение
h1
h2
H*
Ц4-1 46.5-0.5 31.5 60.5
Ц4-2 53-0.5 38 67
П р и м е ч а н и е. Размер, отмеченный звездочкой, справочный.
 
 
Материал подготовлен по данным [Электровакуумные приборы. Справочник. М.:Гос. энергетическое изд-во, 1956, с. 23].
 
 
Главная страница    Общие сведения    Список аппаратуры    Радиолампы    Клуб