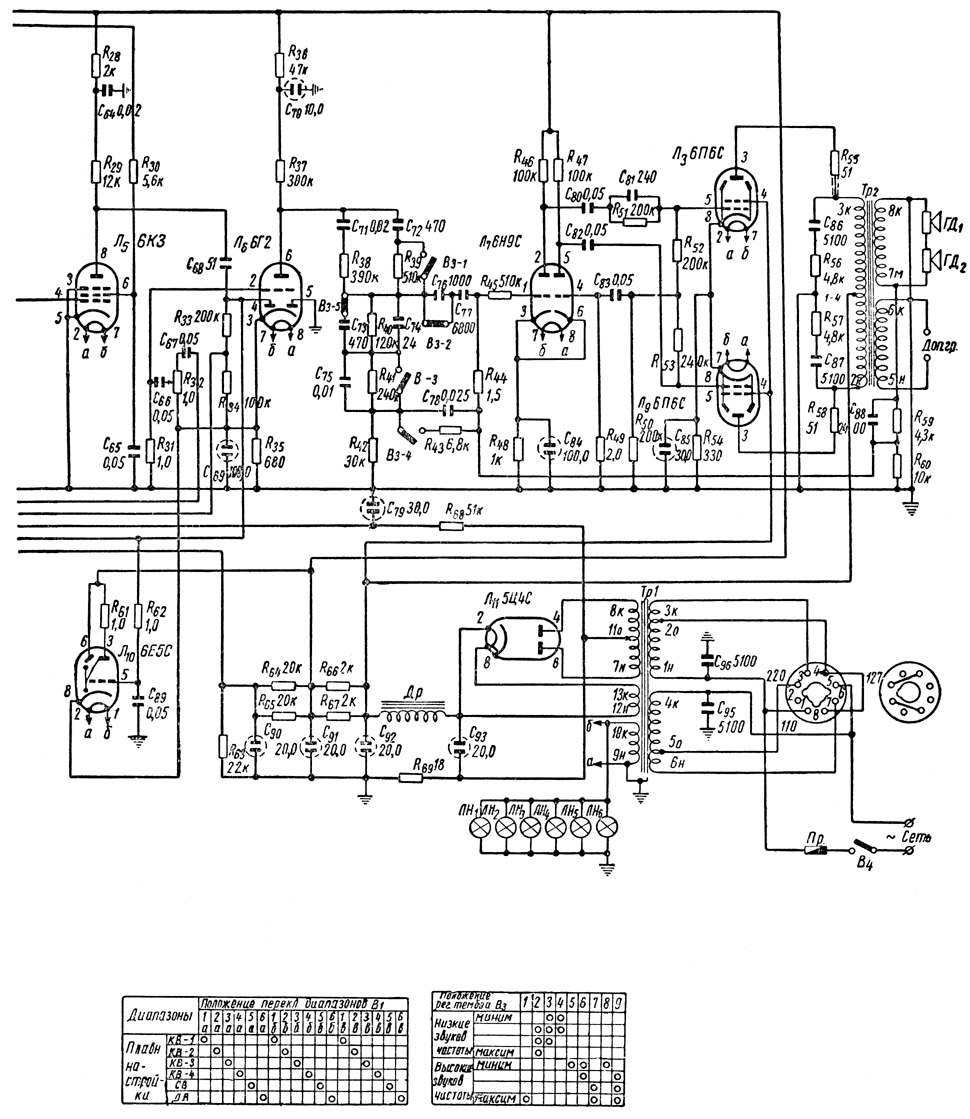
Особенностью конструкции одиннадцатилампового приемника "Минск-55" является примененный в нем переключатель диапазонов барабанного типа. Барабан, в котором размещены катушки и подстроечные конденсаторы, поворачивается при переключениях диапазонов на нужный угол, и при этом к неподвижным контактам подключаются соответствующие катушки.
Габариты приемника: 712х377x504 мм; вес 45 кг.
Приемник имеет следующие каскады:
1. УВЧ на лампе 6К3.
2. Преобразователь частоты на лампе 6А7.
3. Первый каскад УПЧ на лампе 6К3.
4. Второй каскад УПЧ и детектор АРУ на лампе 6Б8С.
5. Третий каскад УПЧ на лампе 6К3.
6. Детектор сигнала и первый каскад УНЧ на лампе 6Г2.
7. Второй каскад УНЧ и фазоинвертор на лампе 6Н9С.
8. Оконечный усилитель на двух лампах 6П6С.
9. Оптический индикатор настройки на лампе 6Е5С.
10. Выпрямитель на лампе 5Ц4С.
Диапазон принимаемых частот:
1. Длинные и средние волны стандартные.
2. Короткие волны I: 11,5 - 12,1 МГц (26,1 - 24,9 м).
3. Короткие волны II: 9,1 - 9,8 МГц (33 - 30,6 м).
4. Короткие волны III: 6,31 - 10 МГц (47,5 - 30 м).
5. Короткие волны IV: 3,95 - 6,25 МГц (76 - 48 м).
Промежуточная частота 465 кГц.
Основные технические данные
Чувствительность приемника во всех диапазонах не хуже 50 мкв.
Чувствительность с гнезд звукоснимателя 0,2 В.
Избирательность: ослабление чувствительности при расстройке на +-10 кГц не менее 50 дБ. Ослабление сигнала по зеркальному каналу более 60 дБ на длинных, более 50 дБ на средних и более 26 дБ на коротких волнах.
Частотная характеристика: полоса пропускания всего тракта приемника обеспечивает воспроизведение частот 60 - 6500 Гц.
Выходная мощность - 4 Вт.
Питание
Приемник радиолы рассчитан на питание от сети переменного тока напряжением 127 или 220 В, потребляемая мощность при приеме радиопередач не превышает 120 Вт.
Электрическая схема
1. Для приема местных станций, т.е, очень сильных сигналов, производится переключение с супергетеродинной схемы на схему прямого усиления.
2. В диапазонах коротких волн на входе включается настроенный контур, связанный индуктивно с антенной. На длинных и средних волнах включается двухконтурный полосовой фильтр; связь с антенной индуктивно-емкостная. Система переключения контуров обеспечивает полное отключение от схемы всех неработающих в данном диапазоне деталей.
3. В диапазонах длинных и средних волн усиление высокой частоты апериодическое; нагрузкой для лампы 6К3 служит сопротивление R11. На коротких волнах схема усиления резонансная с автотрансформаторным включением контура в анодную цепь лампы. В цепь катода лампы 6К3 включен контур, настроенный на промежуточную частоту и ослабляющий за счет отрицательной обратной связи помехи от станций, работающих на этой частоте. Кроме того, в эту цепь при переходе на местный прием включается сопротивление R4.
4. В трехкаскадном усилителе промежуточной частоты для первых двух каскадов применена схема полосовых усилителей с двухконтурными фильтрами, для третьего каскада - схема апериодического усиления нагрузкой для лампы третьего каскада служит сопротивление R29. В первых двух фильтрах предусмотрена возможность регулировки полосы пропускания путем изменения величины связи между контурами и одновременного изменения добротности контуров.
При переходе на местный прием усиленное напряжен ие сигнала высокой частоты подается с сопротивления R4 в цепи катода лампы Л1 непосредственно на управляющую сетку лампы Л5, минуя все промежуточные каскады, и высокочастотная часть приемника работает по простейшей схеме прямого усиления.
5. Регулирование тембра (подъем и завал частотной характеристики в области нижних или верхних звуковых частот) производится за счет переключения элементов переходной цепи между лампами Л6 и Л7, причем для расширения полосы пропускания в сторону верхних частот одновременно изменяется и связь между контурами в двух первых фильтрах промежуточной частоты.
6. Выпрямитель имеет трехъячеечный фильтр для сглаживания пульсаций выпрямленного тока. Питание анодных и экранных цепей ламп оконечного каскада производится после первой, анодных цепей других ламп - после второй и экранных цепей этих ламп - после третьей ячейки фильтра.
Детали
Выходной трансформатор. Первичная обмотка состоит из 2х1700 витков провода ПЭЛ 0,12 (сопротивление 430 Ом), вторичная обмотка - из 120 витков ПЭЛ 0,74 (сопротивление 0,45 Ом) и обмотка для внешнего громкоговорителя - из 625 витков ПЭЛ 0,12 (сопротивление 180 Ом).
Силовой трансформатор. Сетевая обмотка имеет 2х(230+38) витков провода ПЭЛ 0,51 (сопротивление 5 Ом). Повышающая обмотка содержит 2х550 витков ПЭЛ 0,25 (сопротивление 98 Ом). Обмотка накала кенотрона имеет 11 витков ПЭЛ 1,25 (сопротивление 0,05 Ом) и обмотка накала ламп - 14,5 витков ПЭЛ 1,25 (сопротивление 0,06 Ом). Экранная обмотка - один слой провода ПЭЛ 0,25.
Дроссель фильтра содержит 1400 витков провода ПЭЛ 0,25 (сопротивление 59 Ом).
Громкоговорители типа 3ГД-М1 (различаются только центрирующими шайбами и подвижной системой). Звуковая катушка каждого громкоговорителя содержит 64 витка провода ПЭЛ 0,13 (сопротивление постоянному току 3,4 Ом).
Принципиальная схема приемника "Минск-55"
Первая часть
| Экранный вариант |
Принтерный вариант |
| Экранный вариант |
Принтерный вариант |
